1. Fast and reliable PCB design
2. Simulation analysis of signal integrity (SI)
3. Simulation analysis of power integrity (PI)
4. £Å£Í£Ãdesign
5. DFX design
6. Thermal simulation analysis
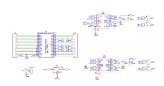
7. Schematic design and debugging
8. Mechanical structure design
9.Professional DFM technical support.
10.One-stop service in manufacturing.









